OMRON欧姆龙限位开关D4C-1203 详询:181-0560-8873
OMRON欧姆龙限位开关D4C-1203 详询:181-0560-8873
OMRON欧姆龙限位开关D4C-1203 详询:181-0560-8873
特性
IEC的,之IP67的规格化距离的幂函数。
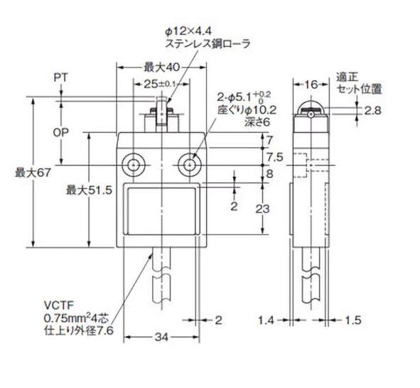
柱塞部为密封垫片、隔膜、内置开关部为保护帽和3重密封结构。
3m、5m的规格化距离的幂函数。还有UL、CSA标准认证代码也系列化了。
柱塞类型可以多联安装。
LED将带有显示灯(红色)的灯系列化,动作时的确认很容易。(以不动作时亮灯形式为标准)
VCTF耐油帘线类型及预丝类型CE是标记对应品。(但仅适用于标准类型)
商品规格
规格、规格
形状·构造通用立式
电气额定值AC250V 5A/DC30V 4A
接点结构1c
电缆规格VCTF 耐油电缆、4芯、3m
保护结构IP67
正面安装
致动器形状:十字滚子柱塞型
材质
质量/质量单位
360g


合肥栗山供应OMRON欧姆龙按钮开关A165K-A2AL
RELATED PRODUCTS
