NC-2.5H薄型电磁离合器日本SHINKO神钢电机合肥栗山胡181-0560-8873
NC-2.5H薄型电磁离合器日本SHINKO神钢电机合肥栗山胡181-0560-8873
NC-2.5H薄型电磁离合器日本SHINKO神钢电机合肥栗山胡181-0560-8873
一、产品介绍
NC-2.5H 是日本 SHINKO(现 Sinfonia Technology,昕芙旎雅科技)旗下薄形紧凑型电磁离合器,属于干式单板通轴型,核心设计聚焦 “薄型化 + 高适配 + 免维护”。产品采用独特的等应力三叶草形板簧驱动,实现无齿隙传动与快速响应,同时轴向超薄设计大幅节省安装空间。摩擦片选用无石棉环保材质,耐磨且适配食品、医疗等洁净需求场景;法兰式安装(后缀 - H)适配多姿态安装(水平、垂直、倾斜均可),无需人工调整摩擦间隙,长期使用扭矩稳定,适配高频启停与精密定位工况。其无滑环、线圈静止结构设计,供电稳定且维护成本低,是空间受限场景下通用传动的优选型号。
二、规格参数
以下为 NC-2.5H 的核心技术规格,单位未标注时默认国际标准单位:
基础性能
型号:NC-2.5H DC24V
类型:薄型干式单板通轴电磁离合器(法兰安装型)
静摩擦扭矩:25N・m
额定励磁电压:DC24V(工业通用标准)
额定功耗(75℃时):17W
重量:2.3kg
最高适用转速:1800r/min
绝缘等级:B 级
防护等级:IP40
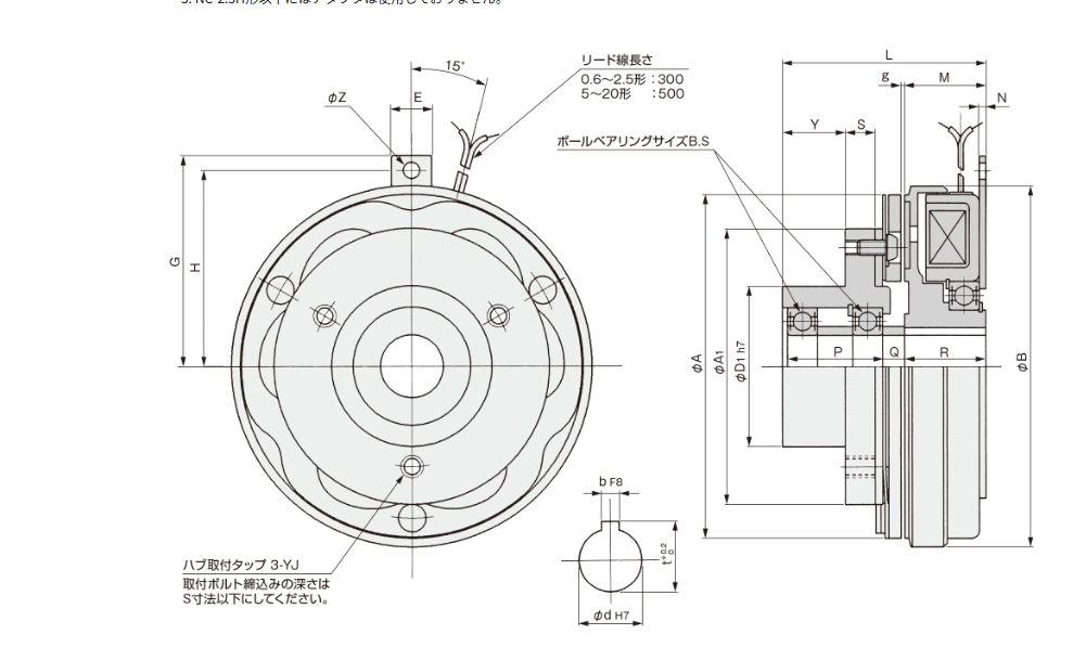
尺寸参数(单位:mm)
径向尺寸:最大外径 A=110,法兰直径 B=116,安装定位直径 A₁=90,法兰厚度 7
轴向尺寸:总厚度仅 40,适配狭小轴向空间
轴径:通轴内径 14mm,键槽尺寸 7mm×3mm,适配标准轴端固定
安装与环境
安装方式:法兰固定(-H 后缀),同轴度要求≤0.2mm
工作温度:-10℃~+40℃
存储温度:-20℃~+60℃
相对湿度:30%~85%(无凝露)
适配介质:干燥清洁环境,严禁油污附着摩擦面
三、应用场景
NC-2.5H 凭借薄型、高精度、高响应的特性,广泛适配以下场景:
电子与医疗设备:电子元件贴标机、PCB 钻孔机、小型伺服传动系统,适配精密定位与高频启停需求,薄型设计适配设备内部紧凑布局。
包装与印刷机械:食品包装机、标签印刷机、小型分切机,无石棉摩擦片符合食品级标准,法兰安装适配设备多工位布局,扭矩稳定保障包装精度。
自动化组装线:小型零件装配线、微型输送系统,适配多姿态安装需求,快速响应支撑节拍化生产,免间隙调整降低维护停机时间。
实验室与小型设备:医疗检测仪器、科研用小型传动平台,轻量化(2.3kg)与低功耗设计适配设备便携与长时间运行需求。


NC-0.6-T薄型电磁离合器/制动器SHINKO神钢电机合肥栗山胡181-0560-8873
RELATED PRODUCTS
