TSUBAKI椿本链条连接器/联轴器CR4016H合肥栗山胡181-0560-8873
TSUBAKI椿本链条连接器/联轴器CR4016H合肥栗山胡181-0560-8873
TSUBAKI椿本链条连接器/联轴器CR4016H合肥栗山胡181-0560-8873
「つばき」の経験と技術を駆使し、カップリング用に強固に製作した2列ローラチェーンを、2個のスプロケットに巻きつけたフレキシブルカップリングです。
回転力は、かみ合っている強力なローラチェーンとスプロケットの表面焼入強化された歯の全部に分担され、優れた耐久力を発揮します。
ローラチェーンの1本の継手ピンの抜差しで、簡単に両軸の連結・分解ができます。
チェーンとスプロケットおよびチェーンの各種構成部品間のクリアランスが両軸の大きなミスアライメントを吸収します。
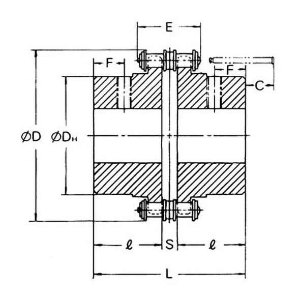
寸法C(mm)6 外径D(Φmm)77 寸法DH(mm)50 寸法F(mm)20 寸法I(mm)40 寸
法S(mm)7.4 チェーン最大幅E(mm)33.1 全長L(mm)87.4 許容トルク(N・m)(50rpm 以下)386 許容
偏角(°)1 最高回転数(min-1[r.p.m])4800 許容偏心(mm)0.254 材質炭素鋼 歯数16 チェーンピッチ(mm)12.70 種類本
体のみ 下穴径(Φmm)13 概略質量(kg)1.6 慣性モーメント(kg・m2)7.90×10-4 使用チェーンNo.40 JIS呼び4016 最大軸径範囲(mm)32 GD2(kgf・m2)3.16×10-3 軸方向変位(mm)S±0.68


QLSWC150VL旋转式快捷夹具(凸轮型)IMAO今尾 合肥栗山胡181-0560-8873
RELATED PRODUCTS
