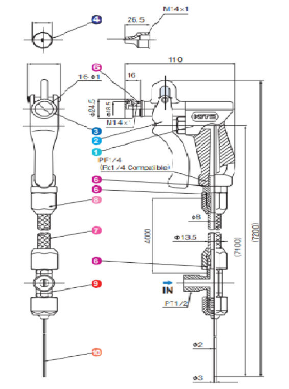
KITZ开兹水枪WGN-3
KITZ开兹水枪WGN-3
KITZ开兹水枪WGN-3
湿润区域仅使用聚丙烯和氟橡胶,且不存在金属离子的洗脱或生锈问题。
精密清洁产品(无油产品)。
根据应用说明,只能选择主体、用软管和带有抗菌分枝奶酪的奶酪。
聚丙烯树脂线圈软管和喷嘴可选。
通过采用新的接头,接头的强度得到了提升。
各种清洗设备的罐内清洁。
清洁精密设备和电子元件。
清洁医疗和食品容器。
电路板清洁。
清洁化学罐和纯水罐。

KITZ开兹水枪WGN-1杨:181-0560-8753
RELATED PRODUCTS
